SM7015NA非隔离降压led驱动芯片ic是一 款高精度非隔离降压恒压控制芯片东方彩 ,适用于85Vac~265Vac全电压范围应用;SM7015NA内部集成650V高压功率管内置CS电阻,无需外部补偿元件,即可实现优异的线性调整率和负载调整率,外围元件极少,大大的降低了系统的成本,节约了 PCB 的尺寸。
SM7015NA 支持 12V/18V 输出电压,应用于多种供电电源领域。同时芯片具有过温、过流、过压、欠压等完善的保护功能,保证了系统的可靠性。
SM7015NA特点
东方彩 输入电压:85Vac~265Vac
拓扑结构支持: BUCK
采用 650V 单芯片集成工艺
待机功耗小于 100mW@220Vac
集成高压启动电路
东方彩 66.5KHz 固定开关频率
电流模式 PWM 控制方式
东方彩 内置抖频技术,提升 EMC 性能
内置过温、过流、过压、欠压等保护功能
内置软启动
东方彩 内置智能软驱动技术(提高
EMC 性能)
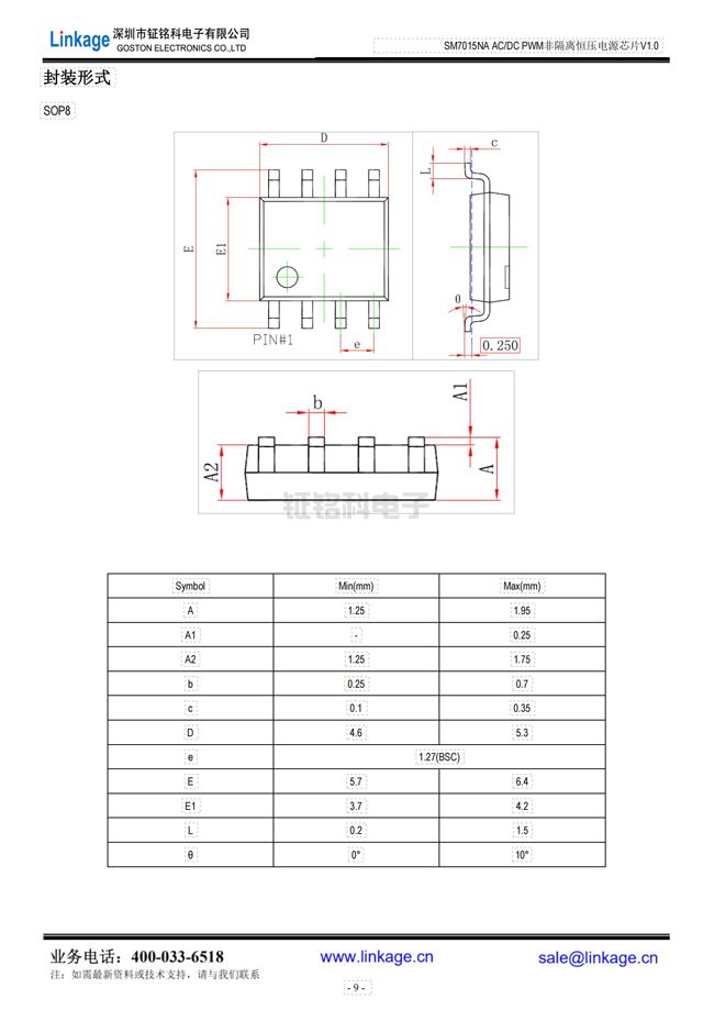
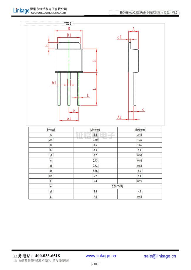
封装形式:SOP8、TO251
东方彩 SM7015NA应用领域
AC/DC 辅助供电电源、智能模块供电电源、电磁炉、电饭煲、电压力锅等小家电产品电源
SM7015NA非隔离降压led驱动芯片ic规格书 咨询热线133-3291-3059




HVDD 电压
当开关电源启动后,C2 电容上的电压会通过芯片内部的高压启动 MOS 管向芯片 HVDD 电容 C3 充电,当 C3 电
容电压达到 12V,内部高压启动 MOS 管关闭,同时 PWM 开启,系统开始工作。
东方彩当 C3 电容电压下降到 6V 以下,关闭 PWM 信号,继续降低 C3 电容电压芯片将会产生复位信号,使系统重新启
动,即是欠压保护。






Copyright © 2017-2021 深圳市钲铭科电子有限公司 版权所有
东方彩QQ:41290014 电话:86 0755 2759 3052 E-mail:sale@linkage.cn
