SM7015AC/DC/PWM恒压开关芯片是一款高精度非隔离降压恒压控制芯片东方彩 , 适 用 于85Vac~265Vac 全电压范围应用;SM7015 内部集成 650V 高压功率管,内置CS 电阻,无需外部补偿元件,即可实现优异的线性调整率和负载调整率,外围元件极少,大大的降低了系统的成本,节约了 PCB 的尺寸。
SM7015支持 12V/18V 输出电压,应用于多种供电电源领域。同时芯片具有过温、过流、过压、欠压等完善的保护功能,保证了系统的可靠性。
SM7015AC/DC/PWM恒压开关芯片特点
1、输入电压:85Vac~265Vac
2、拓扑结构支持: BUCK
3、采用 650V 单芯片集成工艺
4、待机功耗小于 60mW@220Vac
5、集成高压启动电路
6、60KHz 固定开关频率
7、电流模式 PWM 控制方式
8、内置抖频技术,提升 EMC 性能
东方彩 9、内置过温、过流、过压、欠压等保护功能
10、内置软启动
11、内置智能软驱动技术(提高EMC 性能)
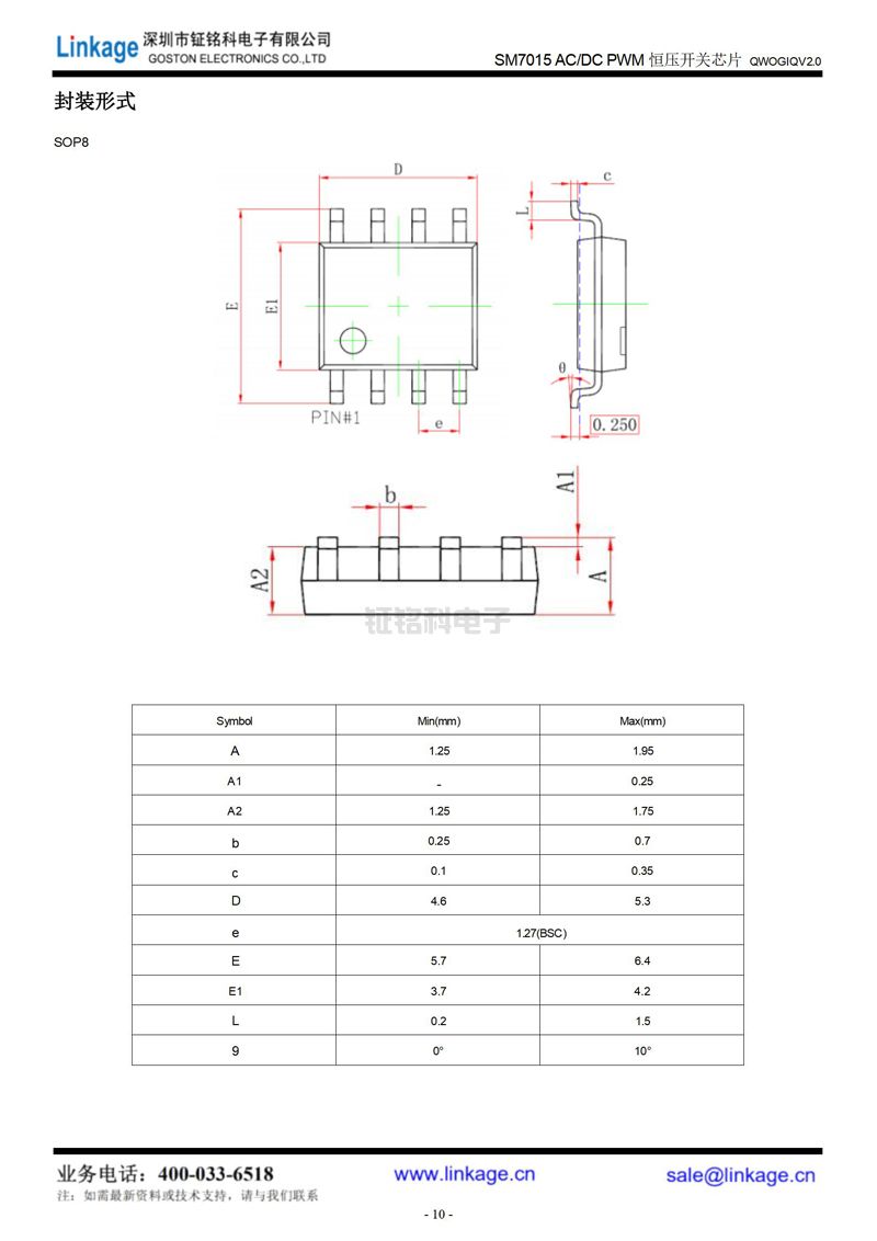
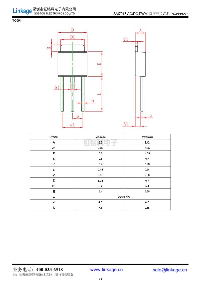
12、封装形式:SOP8、TO251
SM7015应用领域
东方彩 1、AC/DC 辅助供电电源
2、智能模块供电电源
3、电磁炉、电饭煲、电压力锅等小家电产品电源
SM7015led恒流驱动芯片规格书











东方彩Copyright © 2017-2021 深圳市钲铭科电子有限公司 版权所有
QQ:41290014 电话:86 0755 2759 3052 E-mail:sale@linkage.cn
