在LED显示技术飞速迭代的今天,无论是户外广告大屏、舞台背景屏还是工业控制终端,用户对画质清晰度、设计紧凑性和运行稳定性的要求日益严苛。而这一切需求的核心,都离不开一颗高性能的LED驱动芯片。SM5176P作为高集成度驱动芯片的佼佼者,凭借全方位的技术优势,为LED显示方案提供了一站式优化解决方案。

画质表现的突破,往往藏在细节的优化中。LED显示屏在播放动态画面时,“列上拖影”和刷新率不足是常见痛点,尤其在高速运动场景中,模糊的拖影会严重影响视觉体验。SM5176P内置电压钳位电路,精准作用于OUT1~OUT8端口,从硬件层面彻底消除“列上拖影”问题,同时大幅提升显示屏刷新率,让动态画面更流畅、边缘更锐利,无论是体育赛事直播还是高速切换的舞台特效,都能呈现清晰细腻的视觉效果。
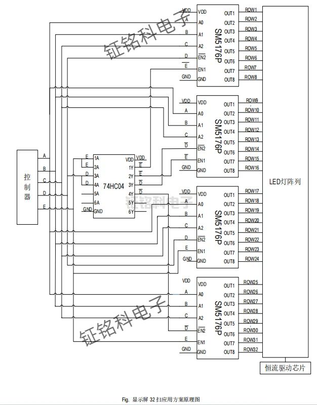
除了卓越的画质优化,SM5176P在驱动性能上同样表现亮眼。芯片内置3-8译码器,提供8通道独立输出电流驱动,每通道最大连续输出电流可达3.5A,搭配95mΩ的低导通内阻,能高效驱动各类LED灯珠,确保亮度均匀稳定。同时,2.6V~5.5V的宽工作电压范围,使其适配电池供电、直流电源等多种场景,无论是便携式显示设备还是固定安装的大屏系统,都能灵活兼容。

运行可靠性是工业级芯片的核心诉求,SM5176P在这方面做足了保障。芯片具备输入数据自检功能,能实时监测信号传输状态,有效提升抗干扰能力,避免因信号异常导致的显示故障。同时,其内置电路可有效改善LED漏电造成的显示屏行暗亮问题,从源头降低应用风险,确保设备在长时间连续运行中保持稳定性能,特别适用于医院、工厂、户外广告等对可靠性要求极高的场景。

东方彩Copyright © 2017-2021 深圳市钲铭科电子有限公司 版权所有
东方彩QQ:41290014 电话:86 0755 2759 3052 E-mail:sale@linkage.cn