东方彩

18年线性恒流IC,电源芯片方案。服务热线:133-3291-3059(微信同号)

五通道精准控光,SM2185N为LED照明注入智慧芯动力

作者:zmkdz    发布时间:2025-11-28 13:50:05    浏览量:
当智能家居成为生活常态,LED照明早已告别“开关式”的简单需求,朝着精细化、智能化的方向加速演进。欧洲新ERP标准的实施,更对灯具的节能性、稳定性提出了严苛要求。在这样的行业背景下,SM2185N五通道智能调光LED线性恒流驱动芯片横空出世,以全方位的性能优势,为小功率LED灯具驱动方案带来革命性突破。

作为一款专为智能照明打造的核心芯片,SM2185N最引人注目的便是其精准的智能调光能力。芯片集成专利智能调光控制技术,配备5个独立高压输出端口,每个端口都能实现1024级电流灰度变化,从微亮到全亮的过渡平滑自然,无论是营造温馨的居家氛围,还是打造专业的商业照明场景,都能精准匹配需求。

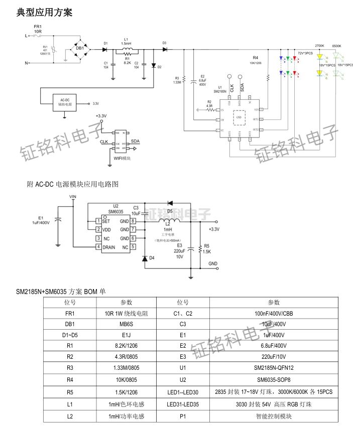
SM2185N典型应用案例.jpg

性能与安全的双重保障,让SM2185N在同类产品中脱颖而出。OUT1-OUT3端口最大电流可达64mA,OUT4-OUT5端口更是提升至80mA,所有端口均具备500V耐压能力,且支持5个端口同时开启,满足多灯珠驱动需求。芯片间输出电流偏差控制在±4%以内,确保多灯珠照明时亮度均匀一致,彻底告别“明暗不均”的尴尬。集成的过温调节功能,则为灯具长期稳定运行筑起安全防线。
在用户体验与行业合规性上,SM2185N同样表现出色。无频闪设计从源头呵护视力健康,特别适合家庭、学校、医院等对光照品质要求高的场景。内置的输入线电压补偿功能,使其完美契合欧洲最新ERP标准,为灯具企业开拓国际市场扫清障碍。类IIC协议信号输入设计,可轻松接收MCU控制信号,搭配蓝牙、WIFI等智能模块,就能实现远程控制、场景联动等智能化操作,让照明融入智慧生活生态。
小巧的体积是SM2185N的另一大亮点。采用QFN12、QFN24定制封装,配合无需外置REXT电阻的设计,能有效压缩驱动器体积,为LED球泡灯等小型灯具的结构设计释放更多空间。集成的高压启动供电功能与低于80uA的待机电流,更兼顾了节能与便捷性,进一步提升产品竞争力。
从家庭照明的温馨守护,到商业照明的精准呈现,SM2185N以五通道优势、智能调光能力、全面的安全保障,重新定义了小功率LED驱动芯片的性能标准。在智能照明的浪潮中,这款芯片无疑将成为企业突破技术瓶颈、抢占市场先机的核心利器,为LED照明行业的高质量发展注入新动能。


推荐新闻

关注官方微信

led芯片