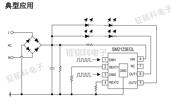
SM2123EGL是一款双通道可调光LED恒流驱动芯片,主要用于LED照明领域,具有PWM调光功能。以下是对SM2123EGL的详细解析:
应用领域:智能遥控、人体感应、声控等智能化控制的LED照明领域,如T5/T8系列LED日光灯管、LED平板灯、LED球泡灯、LED吸顶灯等。

兼容性:芯片可与LED共用PCB板,线路简单,成本低廉。

稳定性高:恒流控制技术和高精度输出电流保证了LED灯光的稳定性和一致性,延长了灯具的使用寿命。

SM2123EGL作为一款双通道可调光LED恒流驱动芯片东方彩,在LED照明领域具有广泛的应用前景。其专利的恒流控制技术和PWM调光功能使得LED灯具在智能化控制、高效节能和稳定性方面表现出色。同时,其低成本和易于实现的特点也使得其成为LED照明领域的重要选择之一。
Copyright © 2017-2021 深圳市钲铭科电子有限公司 版权所有
东方彩QQ:41290014 电话:86 0755 2759 3052 E-mail:sale@linkage.cn