随着全球绿色低碳理念的深入推进,LED照明产业迎来高质量发展新阶段,欧盟最新ERP标准的实施,更是对LED驱动芯片的能效、环保与性能提出了更为严苛的要求。在小功率LED灯具领域,如何兼顾智能控制、无频闪体验与合规性,成为企业突破市场壁垒的关键。SM2185N五通道智能调光LED线性恒流控制芯片的问世,以全维度的技术优势,为行业提供了高效、便捷、合规的一体化解决方案,重新定义小功率LED驱动芯片的品质标杆。
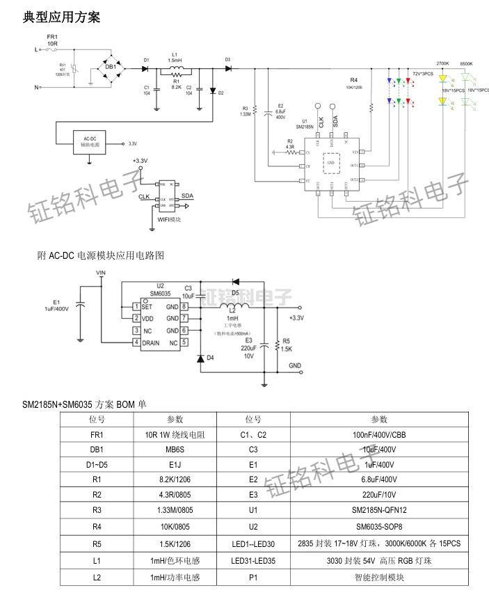
作为一款专为小功率LED灯具量身打造的控制芯片,SM2185N的核心竞争力在于其全面的智能调光与稳定性能。不同于传统芯片的单一输出模式,该芯片搭载5个独立高压输出端口,每个端口均可实现独立控制,既能单独驱动LED灯的亮灭,也可5个端口同时开启,灵活适配筒灯、射灯、面板灯等多种小功率LED灯具的驱动需求,大幅提升了产品的适配性与应用场景覆盖面。
智能调光技术的突破,是SM2185N的一大亮点。芯片集成本司专利智能调光控制技术,内部内置DA功能,搭配类IIC协议输入端口,可精准接收MCU输出的控制信号,实时调整每个端口的电流变化。更值得一提的是,每个OUT端口均能实现1024级电流灰度调节,从微光到强光的过渡平滑细腻,无任何顿挫感,彻底打破传统调光的生硬局限,为用户带来更舒适的光照体验,无论是家庭照明的温馨氛围营造,还是商业照明的精准亮度控制,都能轻松满足。

在核心性能与合规性上,SM2185N实现了双重突破。针对欧盟最新ERP标准,芯片集成输入线电压补偿功能,严格满足能效、待机功耗等各项要求,无需额外增加合规成本,助力企业产品顺利打入欧洲市场,规避贸易壁垒与罚款风险。同时,芯片采用无频闪设计,输出电流稳定,有效避免了频闪带来的视觉疲劳,契合现代健康照明的需求,尤其适合老人、儿童等敏感人群长期使用。
稳定性与便捷性的双重优化,让SM2185N在实际应用中更具优势。芯片各端口耐压高达500V,其中OUT1、OUT2、OUT3端口最大电流可达64mA,OUT4、OUT5端口最大电流可达80mA,电流输出强劲且稳定,芯片间输出电流偏差小于±4%,确保多灯珠同时工作时亮度均匀一致。此外,芯片集成高压启动供电功能,待机电流低于80uA,大幅降低能耗,符合绿色节能趋势;最大电流可通过程序设定,无需外置REXT电阻,简化了驱动电路设计,降低了生产成本。
在产品设计层面,SM2185N采用QFN定制封装,相较于传统封装,体积大幅缩小,有助于LED驱动器实现更紧凑的设计,适配小型化、轻薄化的灯具产品需求,为灯具厂商的外观创新提供了更多空间。同时,芯片具备过温调节功能,当工作温度过高时,可自动调节电流,有效保护芯片与LED灯珠,延长产品使用寿命,降低售后维护成本。
从技术创新到实际应用,SM2185N始终以市场需求为导向,将智能、高效、合规、便捷的理念融入每一处设计。无论是家庭照明、商业照明,还是工业辅助照明等场景,SM2185N都能凭借其五通道独立控制、1024级精准调光、无频闪、合规新ERP等核心优势,为LED灯具产品赋能。
在LED照明产业竞争日趋激烈的今天,核心芯片的实力直接决定产品的市场竞争力。SM2185N以专利技术为支撑,以全维度性能为保障,不仅解决了小功率LED灯具驱动的诸多痛点,更助力企业在合规升级与产品创新中抢占先机。未来,随着智能照明技术的持续发展,SM2185N将继续发挥技术优势,推动小功率LED照明领域的智能化、节能化升级,为绿色照明事业注入新的动力。
深圳市钲铭科电子公司自2006年6月创立以来,高性价比的LED驱动芯片及AC/DC PWM电源芯片为主导产品,广泛应用于LED恒流驱动电源IC,充电器电源IC,适配器电源,小家电产品电源等领域。钲铭科优势:50多人研发团队,提供技术支持,15年明微电子持证代理商,可根据客户需求定制芯片和方案。
Copyright © 2017-2021 深圳市钲铭科电子有限公司 版权所有
东方彩QQ:41290014 电话:86 0755 2759 3052 E-mail:sale@linkage.cn